UD Trucks juga sangat memperhatikan kenyamanan serta keamanan berkendara bagi pengemudi. Dibuktikan dengan kabin UD Trucks Quester yang memiliki berbagai macam fitur untuk mendukung kenyamanan pengemudi serta telah lolos uji tabrakan (crash test) sehingga keamanan pengemudi terjamin. Selain itu, untuk operasi di area tambang batu bara, kabin Quester dirancang secara khusus oleh UD Trucks dengan bumper depan yang terbuat dari baja dan dipasang sedemikian rupa sehingga dapat mencapai level ground clearance dan approach angle yang maksimal agar truk Quester bisa bergerak lincah di medan tambang batu bara yang tidak rata.
Semua unit dari UD Trucks dilengkapi dengan UD Telematics yang dapat memantau kondisi unit dari jarak jauh serta mendapat informasi terkini mengenai unit secara real-time. Adanya fitur ini dapat meningkatkan profitabilitas bisnis pelanggan.
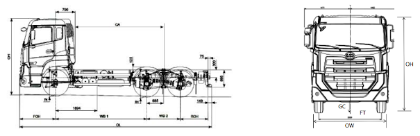
Spesifikasi Teknik
Terima kasih,











Mangtap
BalasHapusSiapp, makasih bossque
BalasHapus